Hot Posts

6/recent/ticker-posts

Sistem Pengisian (Charging System)

Pendahuluan
Sistem pengisian berfungsi untuk 1) mengisi arus listrik ke battery, dan 2) Mensuplai arus listrik ke seluruh sistem kelistrikan setelah mesin hidup. Komponen-komponen pada system pengisian adalah seperti ditunjukkan pada gambar 1 terdiri dari baterai, kunci kontak, alternator, dan regulator. Alternator berfungsi untuk mengubah energi gerak menjadi energi listrik. Tegangan yang dihasilkan oleh alternator bervariasi tergantung dari kecepatan putaran dan besarnya beban.


Terminal-terminal yang ada pada alternator adalah terminal E, F, N (atau ada juga yang menggunakan P), dan B, dan ada juga alternator dengan terminal E, F, N, A, dan B. Karena tegangan alternator bervariasi akibat putaran, maka digunakan regulator yang berfungsi untuk menjaga tegangan output alternator tetap konstan dengan mengatur besar kecilnya arus listrik atau kuat lemahnya medan magnet pada kumparan rotor (rotor coil). Regulator ada dua macam, pertama tipe konvensional atau tipe kontak point, kedua tipe regulator IC.

Komponen sistem pengisian


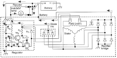
Regulator Tipe Konvensional
Regulator tipe kontak point terdiri dari : 1) kumparan voltage regulator yang berfungsi untuk mengatur arus yang masuk ke rotor coil agar agar kemagnetannya bisa diatur sehingga tegangan output alternator tetap konstan, dan 2) kumparan voltage relay yang berfungsi untuk mematikan lampu CHG dan menghubungkan arus dari terminal B ke voltage regulator. Terminal yang terdapat pada regulator ini adalah terminal IG, N, F, E, L, dan B.

Regulator tipe konvensional

Rangkaian sistem pengisian konvensional digambarkan pada skema di bawah ini. Secara singkat cara kerja dari sistem pengisian konvensional ini dijelaskan sebagai berikut (aliran arus ke tiap komponen tidak dijelaskan secara rinci di sini).


Rangkaian sistem pengisisn konvensional


a. Pada saat kunci kontak on, mesin mati. Fenomena yang terjadi pada kondisi ini adalah lampu pengisian menyala dan terjadi medan magnet pada rotor coil.
b. Mesin berputar lambat. N mengalirkan arus, lampu indikator pengisian mati. Kontak Pl0 menempel pada Pl1 karena medan magnet pada kumparan voltage regulator lemah, arus besar mengalir ke rotor coil, medan magnet kuat. Output alternator cukup untuk mengisi baterai.
c. Pada putaran sedang, Pl0 lepas dari Pl1 (mengambang) karena medan magnet pada kumparan voltage regulator (VR) menguat. Arus ke rotor coil (RC) melewati resistor R sehingga kemagnetan pada RC melemah. Karena putaran naik, meskipun medan magnet melemah output alternator tetap cukup untuk mengisi baterai.
d. Kecepatan tinggi. Pl0 menempel dengan Pl2 karena medan magnet pada kumparan VR makin kuat. Arus dari R langsung ke massa, kemagnetan pada RC drop. Akibatnya tegangan output pada B alternator turun sehingga medan magent pada VR juga melemah, Plo lepas lagi dari Pl2. Arus mengalir lagi ke RC melalui R sehingga kemagnetan pada RC menguat lagi. Pl0 lepas dan terhubung dengan Pl2 secara periodik tergantung tegangan yang masuk ke
VR sehingga output alternator tetap stabil.



Regulator Tipe IC
Dibandingkan dengan alternator yang memakai regulator tipe kontak point, alternator dengan IC regulator mempunyai keuntungan: tahan terhadap getaran dan tahan lama, tegangan output lebih stabil, tahanan kumparan rotor lebih kecil sehingga arus dapat diperbesar. Komponen aktif dalam regulator IC adalah transistor dan dioda zener. Secara sederhana sistem pengisian non konvensional dapat digambarkan dengan skema berikut.


Rangkaian regulator tipe IC


Transistor bekerja untuk memutus atau menghubungan arus yang menuju ke rotor coil sesuai dengan kondisi output alternator sehingga pengaturan medan magnet pada rotor coil dapat terjadi. Dioda zener bekerja sebagai pendeteksi tegangan yang dihasilkan oleh alternator. Dioda zener akan mengalirkan arus pada saat ada tegangan yang bekerja padanya melebihi tegangan kerja dari dioda zener tersebut. Pada dasarnya, kerja regulator IC sama dengan kerja regulator tipe konvensional, yaitu mengatur arus yang masuk ke rotor coil sehingga medan magnet pada rotor coil juga dapat diatur sesuai dengan kondisi kerjanya. Prinsip kerja dari sistem pengisian IC di atas dapat dijelaskan sebagai berikut.


a. Kunci Kontak on, mesin belum hidup

Arus mengalir dari baterai ke FL → Kunci Kontak (KK) → R1 → BTr1 → ETr1 → massa. Akibatnya Tr1 on. Hal ini menyebabkan arus dari baterai juga mengalir ke slip ring positif → rotor coil → slip ring negatif → CTr1 → ETr1 → massa. Akibatnya pada rotor coil timbul medan magnet.


b. Mesin hidup, output alternator kurang dari 14 V.


Setelah mesin hidup, stator coil menghasilkan arus listrik. Tegangan dari stator coil disearahkan oleh dioda → terminal B → baterai → terjadi pengisian. Selain ke baterai, arus juga mengalir ke KK→ R1 → BTr1 → ETr1 → massa. Akibatnya Tr1 tetap on, sehingga arus dari terminal B alternator juga mengalir ke slip ring positif → rotor coil → slip ring negatif → CTr1 → ETr1 → massa. Akibatnya pada rotor coil tetap timbul medan magnet.



c. Mesin hidup, output alternator lebih dari 14 V

Apabila putaran mesin makin tinggi, maka tegangan output alternator akan naik juga. (1)* Bila output alternator lebih dari 14 V, maka dioda zener ZD akan tembus atau dapat mengalirkan arus karena tegangan yang ada pada ZD tersebut melebihi tegangan kerjanya. Akibatnya, arus dari R2 dapat mengalir ke ZD → BTr2 → ETr2 → massa. Hal menyebabkan ini Tr2 menjadi
on. Arus yang semula dari R1 mengalir ke BTr1 akan pindah dan mengalir ke massa melalui CTr2 → ETr2 → massa. Akibatnya BTr1 tidak mendapatkan arus picu sehingga Tr1 menjadi off. Dengan demikian arus dari terminal B alternator tidak dapat mengalir ke rotor coil karena Tr1 off. Akibatnya adalah medan magnet pada rotor coil drop.



Efek dropnya medan magnet ini menyebabkan output dari stator coil menjadi drop juga. Apabila tegangan pada terminal B alternator drop dan harganya kurang dari 14 V, maka ZD menjadi posisi blocking karena tegangan yang ada kurang dari tegangan kerjanya. Hal ini menyebabkan Tr1 menjadi off, dan arus dari R1 kembali mengalir ke Tr1 sehingga Tr1 on lagi. Tr1 on mengakibatkan arus mengalir lagi ke rotor coil dan medan magnet pada rotor coil
akan menguat lagi, sehingga tegangan output alternator akan naik lagi. Bila tegangan tersebut melebihi 14 V maka proses akan kembali ke (1)*. Proses (1)* dan (2)* akan terjadi secara terus menerus sehingga tegangan output alternator akan stabil sekitar 14 V.


Alternator kompak dan regulator IC


Konstruksi alternator dengan regulator IC terpasang di dalamnya dan regulator ICnya dapat dilihat pada gambar diatas. Fungsi tiap komponen alternator kompak ini sama dengan fungsi komponen alternator konvensional. Skema sistem pengisian dengan regulator IC dapat dilihat pada gambar berikut.


Sekema sistem pengisian regulator tipe IC


Regulator IC pada alternator kompak berfungsi untuk mengatur arus listrik yang mengalir ke rotor coil melalui transistor berdasarkan output alternator dari terminal B yang terdeteksi melalui terminal S. Terminal-terminal yang terdapat pada regulator IC (tipe M) adalah terminal E, P, F, S, L, IG, dan B (gambar 5.5.b). Terminal E terpasang pada ground, terminal P terpasang pada salah satu ujung kumparan stator sebagai input untuk IC bahwa alternator sudah menghasilkan tegangan, terminal F tidak terhubung (menggantung) yang difungsikan untuk pengujian IC, terminal S (yang di dalam IC terhubung dengan dioda zener) terpasang pada terminal positif baterai berfungsi untuk mendeteksi besarnya tegangan yang masuk ke baterai, terminal L dihubungkan dengan lampu pengisian, terminal IG terpasang pada kunci kontak untuk memberi power pada IC, dan terminal B terpasang pada terminal B alternator. Secara singkat cara kerja rangkaian pada gambar diatas adalah sebagai berikut.



a. Kunci Kontak on, mesin belum hidup
Arus dari terminal positif baterai mengalir ke kunci kontak 􀃎IG 􀃎memberi power ke IC dan mengaktifkan Tr1 dan Tr3 sehingga terjadi medan magnet pada rotor coil dan lampu pengisian menyala.


b. Mesin hidup

Rotor coil berputar, stator coil menghasilkan tegangan. Salah satu ujung stator coil memberikan arus ke terminal P dan dan arus ini sebagai masukan untuk IC. Berdasarkan input ini IC meng-off-kan Tr3 dan mengaktifkan Tr2 sehingga lampu pengisian padam.


c. Output alternator kurang dari 14 V

Jika output alternator yang terdeteksi pada terminal positif baterai kurang dari 14V, maka dioda zener yang terdapat di dalam MIC tidak dapat tembus karena tegangan yang ada di bawah tegangan kerja dioda zener sehingga IC mempertahankan Tr1 tetap bekerja sehingga arus mengalir ke rotor coil dan medan magnet pada rotor coil kuat sehingga tegangan output alternator cenderung naik.


d. Output alternator lebih dari 14 V

Jika output alternator yang terdeteksi pada terminal positif baterai lebih dari 14V, maka dioda zener akan tembus (dapat mengalirkan arus) karena tegangan yang ada di atas tegangan kerja dioda zener sehingga IC menonaktifkan Tr1 sehingga arus mengalir ke rotor coil terhenti dan medan magnet pada rotor coil hilang. Hal ini menyebabkan tegangan output alternator turun atau drop. Bila tegangan output turun, proses kembali ke bagian (c).



Proses (c) dan (d) terjadi secara berulang-ulang sehingga output alternator akan berada pada besaran yang stabil (±14 V). Model lain rangkaian sistem pengisian IC digambarkan pada gambar berikut:



Rangkaian regulator tipe IC


Brushless Alternator
Kelemahan alternator tipe konvensional maupun alternator dengan regulator IC salah satunya adalah brush atau sikat cepat aus karena selalu bergesekan dengan slip ring saat alternator bekerja. Untuk itu, maka alternator tipe tanpa sikat (brushless alternator) dibuat. Pada alternator tipe ini tidak terdapat rotor coil. Fungsi untuk menghasilkan medan magnet dipenuhi oleh kumparan medan (stationary field coiI) yang terpasang di dalam alternator tetapi tidak bisa berputar. Untuk memenuhi syarat adanya pemotongan medan magnet saat poros alternator berputar, dipasang rotor pada posos alternator yang dapat berputar diantara kumparan medan dan stator coil. Akibat putaran rotor di dekat medann magnet, maka garis-garis gaya magnet dapat berubah-ubah sehingga pada stator coil terjadi tegangan induksi (AC) yang kemudian disearahkan oleh dioda seperti pada alternator tipe konvensional.



Konstruksi dan penampang alternator tanpa sikat


Rangkaian sistem pengisian dengan alternator tanpa sikat secara sederhana diggambarkan dengan rangkaian pada gambar dibawah. Kerja dari sistem pengisian ini secara umum sama dengan sistem pengisian dengan alternator lainnya. Regulator yang digunakan adalah regulator IC yang juga berfungsi untuk mengatur arus ke rotor coil melalui transistor yang terdapat di dalam regulator IC. Pada rangkaian ini, pendeteksian tegangan output alternator melalui terminal B regulator (di dalam regulator ini juga terdapat dioda zener). Proses pengaturan output alternator dilakukan dengan cara mengaktifkan dan menonaktikan transistor di dalam regulator berdasarkan tegangan yang masuk ke dioda zener.


Skema sistem pengisian dengan alternator tanpa sikat

Permasalahan pada Sistem Pengisian
Permasalahan umum yang timbul pada sistem pengisian, terbagi menjadi tiga macam, yaitu pengisian tidak ada, pengisian terlalu rendah, dan pengisian terlalu tinggi.
a. Pengisian tidak ada.

Dalam hal ini pada saat engine sudah hidup alternator tidak menghasilkan output untuk mengisi baterai. Komponen apa sajakah pada regulator di gambar 5.3 dan 5.6 yang dapat menyebabkan tidak ada pengisian?

b. Pengisian terlalu rendah (undercharge). 

Dalam hal ini output alternador kurang dari standar yang ditetapkan (13,8 s/d 14,8 V) sehingga menyebabkan baterai tekor. Komponen apa sajakah pada regulator di gambar 5.3 dan 5.6 yang dapat menyebabkan pengisian rendah?

c. Pengisian terlalu tinggi (overcharge). 

Dalam hal ini output alternador lebih dari standar yang ditetapkan sehingga menyebabkan baterai panas dan airnya cepat habis. Komponen apa sajakah pada regulator di gambar 5.3 dan 5.6yang dapat menyebabkan pengisian terlalu tinggi?



Menentukan Alternator untuk Dipasang pada Kendaraan
Beberapa hal perlu diperhatikan untuk memasang alternator pada suatu kendaraan berdasarkan kebutuhan energi listrik yang diperlukan pada kendaraan tersebut. Berikut langkah-langkah yang perlu dilakukan untuk menentukan kapasitas alternator yang harus dipakai.
a. Menentukan power input untuk semua beban yang secara tetap bekerja pada tegangan 14V. Misal, daya yang dibutuhkan sistem pengapian 20W, pompa bensin listrik 70W, injeksi bb 100W, radio 12W, lampu besar 110W, dll sehingga total Pw1 = 350W.
b. Menentukan power input untuk semua beban yang tidak tetap pada 14V. Misal untuk wiper, lampu belok, lampu kabut, dll sehingga totalnya menjadi Pw1 = 134 W (pembulatan). Total power input = Pw1 + Pw2 = 484W. 

c. Dengan Pw = 484 dan menggunakan tabel berikut (Bosch, alternator system)






Maka arus minimum yang diperlukan adalah IN = 55A. Jadi alternator yang digunakan adalah alternator dengan kemampuan mengeluarkan arus 55 A atau di atasnya.



d. Pengecekan selanjutnya dapat dilakukan menggunakan arus alternator IL pada saat idle. IL dapat ditentukan dari kurva karakteristik alternator pada putaran nL pada putaran engine idle, dalam hal ini contoh kecepatan alternator adalah 2000 rpm. Berdasarkan pengalaman praktis, untuk kendaraan penumpang pada kecepatan engine idle IL harus melebihi arus Iw1 dengan faktor keamanan 1,3. Iw1 diperoleh dari daya input Pw1 untuk semua beban tetap . Hal ini untuk menjamin pengisian baterai yang efisien meskipun engine pada kondisi idle dan dalam menempuh perjalanan pendek. Misalnya, saat idle alternator menghasilkan arus IL = 36A. Arus Iw1 dihitung dari Pw1 􀃎 Iw1 = Pw1/14V = 25 A dikalikan faktor 1,3 didapat 33A (pembulatan). Karena harga IL melebihi 33A, maka kebutuhan daya tercukupi dan aman.

Post a Comment

2 Comments

Silahkan Tinggalkan Komentar Anda